開方向と閉方向で異なるトルクを得られるコンパクトで高機能なヒンジ

特長
- ・蓋モーメントとのバランスで全域フリーストップ(任意の角度で停止)が可能
- ・部品数の削減(シャフトと取付け部品のみ)により、省スペース化が図れます
- ・開閉方向によるトルクの違いの特性を生かした使用法が考えられます
- ・360度回動
使用用途
・機器のカバー蝶番(操作部保護、パネル保護)
・ノートパソコンのジョイント部 など
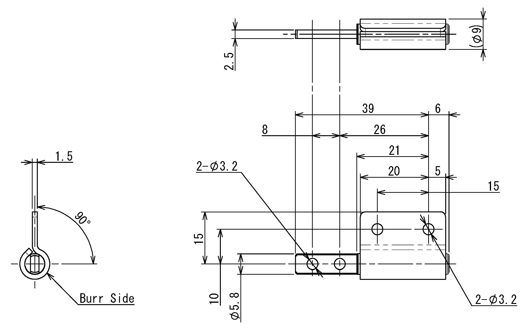
仕様
| 品番 | TH0061 | TH0067 |
|---|---|---|
| サイズ | ![]() |
|
| 初期トルク | 【締め込み方向】 0.6±0.12[N・m] 【開き方向】 上記の70~80% |
【締め込み方向】 0.7±0.14[N・m] 【開き方向】 上記の70~80% |
| 耐久 | 50,000回 初期値 ±20% | |
| 使用環境・保存環境 | 0~40℃、10~90% 低温:ー20℃ 高温高湿:60℃95% | |
| 品番 | TH0062 | TH0068 |
|---|---|---|
| サイズ | ![]() |
|
| 初期トルク | 【締め込み方向】 0.9±0.18[N・m] 【開き方向】 上記の70~80% |
【締め込み方向】 1.0±0.2[N・m] 【開き方向】 上記の70~80% |
| 耐久 | 50,000回 初期値 ±20% | |
| 使用環境・保存環境 | 0~40℃、10~90% 低温:ー20℃ 高温高湿:60℃95% | |
| 品番 | SS0040 |
|---|---|
| サイズ | ![]() |
| 初期トルク | 【締め込み方向】 2.0±25%[N・m] 【開き方向】 上記の70~80% |
| 耐久 | 5,000回 初期値 ±20% |
| 使用環境・保存環境 | 5~35℃、10~90% 低温:-20℃ 高温高湿:60℃95% |








